產品編號:GEEM...ES-2RS 20~120
滑動磨擦副: 鋼/鋼
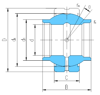
產品特點:內圈兩端帶伸出圓筒,外圈有一道軸向縫,內、外圈材料均為軸承鋼,淬火,磷化,滑動表面涂敷二硫化鉬,后置代號有-2RS為外圈兩端帶有密封圈。
使用溫度范圍:-30℃~+130℃
軸 承 型 號 Bearing number | 外 形 尺 寸 Dimensions mm | 額定載荷 Load ratings kN | 重 量 Weight ≈kg | |||||||||
d | D | B | C | d1 max | dk | rs min | r1s min | α? ≈ | 動載荷 Dynamic | 靜載荷 Static | ||
GEEM20ES-2RS | 20 | 35 | 24 | 12 | 24 | 29 | 0.3 | 0.3 | 6 | 30 | 146 | 0.072 |
GEEM25ES-2RS | 25 | 42 | 29 | 16 | 29 | 35.5 | 0.3 | 0.6 | 4 | 48 | 240 | 0.13 |
GEEM30ES-2RS | 30 | 47 | 30 | 18 | 34 | 40.7 | 0.3 | 0.6 | 4 | 62 | 310 | 0.16 |
GEEM35ES-2RS | 35 | 55 | 35 | 20 | 40 | 47 | 0.6 | 1 | 4 | 79 | 399 | 0.25 |
GEEM40ES-2RS | 40 | 62 | 38 | 22 | 45 | 53 | 0.6 | 1 | 4 | 99 | 495 | 0.34 |
GEEM45ES-2RS | 45 | 68 | 40 | 25 | 52 | 60 | 0.6 | 1 | 4 | 127 | 637 | 0.45 |
GEEM50ES-2RS | 50 | 75 | 43 | 28 | 57 | 66 | 0.6 | 1 | 4 | 156 | 780 | 0.59 |
GEEM60ES-2RS | 60 | 90 | 54 | 36 | 68 | 80 | 0.6 | 1 | 3 | 245 | 1220 | 1.06 |
GEEM70ES-2RS | 70 | 105 | 65 | 40 | 78 | 92 | 0.6 | 1 | 4 | 313 | 1560 | 1.66 |
GEEM80ES-2RS | 80 | 120 | 74 | 45 | 90 | 105 | 0.6 | 1 | 4 | 400 | 2000 | 2.47 |
GEEM90ES-2RS | 90 | 130 | 80 | 50 | 99 | 115 | 1 | 1 | 4 | 488 | 2440 | 2.88 |
GEEM100ES-2RS | 100 | 150 | 90 | 55 | 113 | 130 | 1 | 1 | 4 | 607 | 3030 | 4.65 |
GEEM120ES-2RS | 120 | 180 | 108 | 70 | 133 | 160 | 1 | 1 | 4 | 950 | 4750 | 8.44 |
????